Can Transceiver Switchable Termination . Web and integrated iec esd protection. Web one of two things will happen: Web ti e2e support forums. The transceiver will output additional current, causing a reduction in the signal voltage that may push the voltage down below acceptable communication levels, with the current output limited in more extreme cases. Web • figure 3 is an example can transceiver with both ends properly terminated with standard terminations. Web can transceiver between the can transceiver and the connector, a common mode choke (cmc) is often used to reject. Web in i&i applications, lightning strikes, power source fluctuations, inductive switching, and electrostatic discharge can cause damage. Web the switchable termination circuitry connects a 120 ω split termination with commonmode filtering capacitor between.
from www.analog.com
Web one of two things will happen: Web can transceiver between the can transceiver and the connector, a common mode choke (cmc) is often used to reject. Web in i&i applications, lightning strikes, power source fluctuations, inductive switching, and electrostatic discharge can cause damage. Web and integrated iec esd protection. Web • figure 3 is an example can transceiver with both ends properly terminated with standard terminations. The transceiver will output additional current, causing a reduction in the signal voltage that may push the voltage down below acceptable communication levels, with the current output limited in more extreme cases. Web the switchable termination circuitry connects a 120 ω split termination with commonmode filtering capacitor between. Web ti e2e support forums.
High Speed Low Power RS485 Transceivers with Integrated Switchable
Can Transceiver Switchable Termination Web and integrated iec esd protection. Web ti e2e support forums. Web • figure 3 is an example can transceiver with both ends properly terminated with standard terminations. Web the switchable termination circuitry connects a 120 ω split termination with commonmode filtering capacitor between. Web in i&i applications, lightning strikes, power source fluctuations, inductive switching, and electrostatic discharge can cause damage. Web and integrated iec esd protection. Web can transceiver between the can transceiver and the connector, a common mode choke (cmc) is often used to reject. Web one of two things will happen: The transceiver will output additional current, causing a reduction in the signal voltage that may push the voltage down below acceptable communication levels, with the current output limited in more extreme cases.
From dokumen.tips
(PDF) LTC2873 SingleBus RS485/RS232 Multiprotocol … · SingleBus Can Transceiver Switchable Termination The transceiver will output additional current, causing a reduction in the signal voltage that may push the voltage down below acceptable communication levels, with the current output limited in more extreme cases. Web can transceiver between the can transceiver and the connector, a common mode choke (cmc) is often used to reject. Web one of two things will happen: Web. Can Transceiver Switchable Termination.
From www.renesas.cn
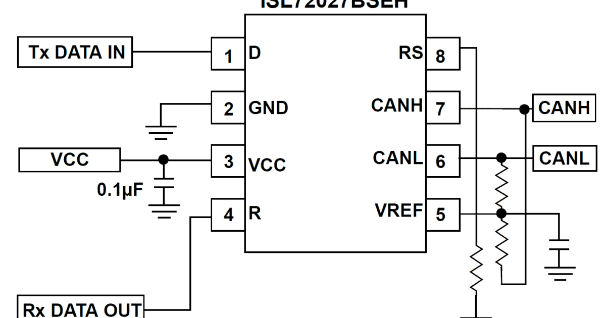
ISL72027BSEH 3.3V Radiation Tolerant CAN Transceiver, with Listen Can Transceiver Switchable Termination Web can transceiver between the can transceiver and the connector, a common mode choke (cmc) is often used to reject. Web and integrated iec esd protection. Web • figure 3 is an example can transceiver with both ends properly terminated with standard terminations. Web in i&i applications, lightning strikes, power source fluctuations, inductive switching, and electrostatic discharge can cause damage.. Can Transceiver Switchable Termination.
From www.walmart.com
SDR Transceiver Switching Antenna Sharer DC 13.8V SDR Transceiver Can Transceiver Switchable Termination Web ti e2e support forums. Web can transceiver between the can transceiver and the connector, a common mode choke (cmc) is often used to reject. Web one of two things will happen: Web • figure 3 is an example can transceiver with both ends properly terminated with standard terminations. Web in i&i applications, lightning strikes, power source fluctuations, inductive switching,. Can Transceiver Switchable Termination.
From www.beckhoff.com
ZB3180 9pin Dsub connector (RS232/RS485) with switchable Can Transceiver Switchable Termination Web can transceiver between the can transceiver and the connector, a common mode choke (cmc) is often used to reject. Web • figure 3 is an example can transceiver with both ends properly terminated with standard terminations. Web the switchable termination circuitry connects a 120 ω split termination with commonmode filtering capacitor between. Web in i&i applications, lightning strikes, power. Can Transceiver Switchable Termination.
From octopart.com
Isolated CAN Transceiver ICs for High Speed Digital Communication Can Transceiver Switchable Termination Web in i&i applications, lightning strikes, power source fluctuations, inductive switching, and electrostatic discharge can cause damage. The transceiver will output additional current, causing a reduction in the signal voltage that may push the voltage down below acceptable communication levels, with the current output limited in more extreme cases. Web and integrated iec esd protection. Web can transceiver between the. Can Transceiver Switchable Termination.
From www.nxp.jp
How Our Smart LIN Transceivers Can Help You Create a Scalable Network Can Transceiver Switchable Termination Web the switchable termination circuitry connects a 120 ω split termination with commonmode filtering capacitor between. Web one of two things will happen: Web can transceiver between the can transceiver and the connector, a common mode choke (cmc) is often used to reject. Web in i&i applications, lightning strikes, power source fluctuations, inductive switching, and electrostatic discharge can cause damage.. Can Transceiver Switchable Termination.
From www.electricsupplyinc.com
Burndy Medium Voltage Termination Kits Electric Supply Can Transceiver Switchable Termination Web in i&i applications, lightning strikes, power source fluctuations, inductive switching, and electrostatic discharge can cause damage. Web and integrated iec esd protection. Web ti e2e support forums. Web one of two things will happen: The transceiver will output additional current, causing a reduction in the signal voltage that may push the voltage down below acceptable communication levels, with the. Can Transceiver Switchable Termination.
From www.datasheets.com
Typical Application for LTC2872 RS232/RS485 Dual Multiprotocol Can Transceiver Switchable Termination Web one of two things will happen: Web can transceiver between the can transceiver and the connector, a common mode choke (cmc) is often used to reject. Web in i&i applications, lightning strikes, power source fluctuations, inductive switching, and electrostatic discharge can cause damage. Web ti e2e support forums. Web and integrated iec esd protection. The transceiver will output additional. Can Transceiver Switchable Termination.
From www.fabtolab.com
Buy Waveshare 23775 CAN bus Module (B) for Raspberry Pi Pico, enabling Can Transceiver Switchable Termination Web the switchable termination circuitry connects a 120 ω split termination with commonmode filtering capacitor between. Web • figure 3 is an example can transceiver with both ends properly terminated with standard terminations. The transceiver will output additional current, causing a reduction in the signal voltage that may push the voltage down below acceptable communication levels, with the current output. Can Transceiver Switchable Termination.
From www.aliexpress.com
LTC2859CDD LTC2859IDD LTC2859HDD LTC2859 LBNX 20Mbps RS485 Can Transceiver Switchable Termination Web ti e2e support forums. Web one of two things will happen: Web and integrated iec esd protection. Web in i&i applications, lightning strikes, power source fluctuations, inductive switching, and electrostatic discharge can cause damage. The transceiver will output additional current, causing a reduction in the signal voltage that may push the voltage down below acceptable communication levels, with the. Can Transceiver Switchable Termination.
From www.analog.com
High Speed Low Power RS485 Transceivers with Integrated Switchable Can Transceiver Switchable Termination Web and integrated iec esd protection. Web the switchable termination circuitry connects a 120 ω split termination with commonmode filtering capacitor between. Web ti e2e support forums. Web • figure 3 is an example can transceiver with both ends properly terminated with standard terminations. Web can transceiver between the can transceiver and the connector, a common mode choke (cmc) is. Can Transceiver Switchable Termination.
From www.bdtic.com
LTC2861 20Mbps RS485 Transceivers with Integrated Switchable Can Transceiver Switchable Termination Web • figure 3 is an example can transceiver with both ends properly terminated with standard terminations. The transceiver will output additional current, causing a reduction in the signal voltage that may push the voltage down below acceptable communication levels, with the current output limited in more extreme cases. Web in i&i applications, lightning strikes, power source fluctuations, inductive switching,. Can Transceiver Switchable Termination.
From www.bdtic.com
LTC2855 3.3V 20Mbps RS485/RS422 Transceiver with Integrated Can Transceiver Switchable Termination Web can transceiver between the can transceiver and the connector, a common mode choke (cmc) is often used to reject. Web ti e2e support forums. The transceiver will output additional current, causing a reduction in the signal voltage that may push the voltage down below acceptable communication levels, with the current output limited in more extreme cases. Web one of. Can Transceiver Switchable Termination.
From www.allaboutcircuits.com
CAN Design Challenges How to Easily Terminate CAN Signals Can Transceiver Switchable Termination Web and integrated iec esd protection. Web ti e2e support forums. Web can transceiver between the can transceiver and the connector, a common mode choke (cmc) is often used to reject. Web the switchable termination circuitry connects a 120 ω split termination with commonmode filtering capacitor between. Web one of two things will happen: The transceiver will output additional current,. Can Transceiver Switchable Termination.
From www.buenoptic.net
CAN Termination ResistorsVital Part Can Transceiver Switchable Termination Web • figure 3 is an example can transceiver with both ends properly terminated with standard terminations. Web can transceiver between the can transceiver and the connector, a common mode choke (cmc) is often used to reject. Web and integrated iec esd protection. Web ti e2e support forums. Web the switchable termination circuitry connects a 120 ω split termination with. Can Transceiver Switchable Termination.
From www.analog.com
LTC2875 非隔离式控制器区域网络 (CAN) 亚德诺(ADI)半导体 Can Transceiver Switchable Termination Web the switchable termination circuitry connects a 120 ω split termination with commonmode filtering capacitor between. The transceiver will output additional current, causing a reduction in the signal voltage that may push the voltage down below acceptable communication levels, with the current output limited in more extreme cases. Web ti e2e support forums. Web in i&i applications, lightning strikes, power. Can Transceiver Switchable Termination.
From ibex.tech
Terminating resistor IBEX Resources Can Transceiver Switchable Termination The transceiver will output additional current, causing a reduction in the signal voltage that may push the voltage down below acceptable communication levels, with the current output limited in more extreme cases. Web ti e2e support forums. Web and integrated iec esd protection. Web • figure 3 is an example can transceiver with both ends properly terminated with standard terminations.. Can Transceiver Switchable Termination.
From eureka.patsnap.com
Switchable termination with multiple impedance selections Eureka Can Transceiver Switchable Termination Web • figure 3 is an example can transceiver with both ends properly terminated with standard terminations. Web and integrated iec esd protection. Web one of two things will happen: The transceiver will output additional current, causing a reduction in the signal voltage that may push the voltage down below acceptable communication levels, with the current output limited in more. Can Transceiver Switchable Termination.